PCB Libraries Forum Homepage
Forum Home Forum Home > Libraries > Footprints / Land Patterns
  New Posts New Posts RSS Feed - SOT-32 ST Micro Footprint
  FAQ FAQ  Forum Search   Events   Register Register  Login Login

SOT-32 ST Micro Footprint

 Post Reply Post Reply
Author
Message
thomas.yunghans View Drop Down
Active User
Active User


Joined: 02 Nov 2021
Status: Offline
Points: 26
Post Options Post Options   Thanks (0) Thanks(0)   Quote thomas.yunghans Quote  Post ReplyReply Direct Link To This Post Topic: SOT-32 ST Micro Footprint
    Posted: 01 Sep 2024 at 11:47am
Hello,

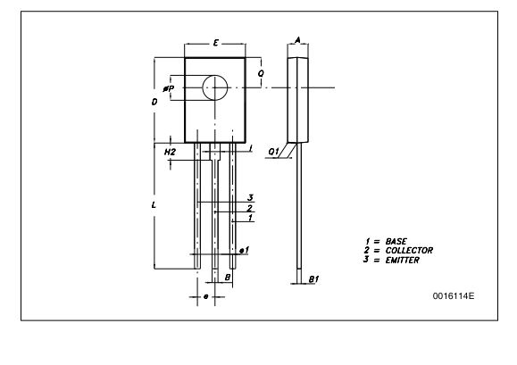
I was looking for a footprint for an SOT-32 from STMicro.  I found one in your "TH Discrete.fpx" library, a lot of the numbers in the Component Data looked correct, but D2 is definitely wrong.

This is from the BD-135 Data Sheet:

And here is the footprint from the FPX library.  The mounting hole is obviously not in the correct position.   I understand that this footprint is a function of where the user would bend the leads, but shouldn't the footprint at least be realistic for a particular selection of where to bend?

Your user manual said to report bad footprints.  Is this the correct way to report problems?
Back to Top
 
Back to Top
thomas.yunghans View Drop Down
Active User
Active User


Joined: 02 Nov 2021
Status: Offline
Points: 26
Post Options Post Options   Thanks (0) Thanks(0)   Quote thomas.yunghans Quote  Post ReplyReply Direct Link To This Post Posted: 01 Sep 2024 at 11:53am
it doesn't look like my cut/paste worked.  Here are the two snapshots I tried to send, attached to this reply.uploads/16542/BD-135_data_sheet_from_STMicro.JPG
Back to Top
thomas.yunghans View Drop Down
Active User
Active User


Joined: 02 Nov 2021
Status: Offline
Points: 26
Post Options Post Options   Thanks (0) Thanks(0)   Quote thomas.yunghans Quote  Post ReplyReply Direct Link To This Post Posted: 01 Sep 2024 at 11:55am
Only looks like one of the snapshots came through.  Here is the other one.uploads/16542/PCB_Libraries_footprint_for_SOT-32.JPG
Back to Top
Tom H View Drop Down
Admin Group
Admin Group
Avatar

Joined: 05 Jan 2012
Location: San Diego, CA
Status: Offline
Points: 6064
Post Options Post Options   Thanks (0) Thanks(0)   Quote Tom H Quote  Post ReplyReply Direct Link To This Post Posted: 01 Sep 2024 at 12:21pm
The SM and TH discrete libraries that come with Footprint Expert are only sample parts for you to start with. Some footprints are exact matches if the Case Code in the datasheet matches. 

However, as a Footprint Part user, you should be accessing the 3 million parts here - www.pcblibraries.com/POD watch this video - https://www.pcblibraries.com/Products/FPX/UserGuide/default.asp?ch=12.1

These parts are free download to all users. And we sell POD credits in case you can't find what you're looking for you can order for $10 for standard packages and $15 for custom footprints regardless of complexity. https://www.pcblibraries.com/products/fpx/PODCredits.asp ;

All the parts that you pay us to build become free download to everyone else. 

We also have a free BOM Builder service to all customers. Send us an Excel spreadsheet with 2 columns of data - Manufacturer & Part Number. Or you can convert your Excel spreadsheet to FPX file format. Watch this video - https://www.pcblibraries.com/Products/FPX/UserGuide/Convert%20Excel%20BOM%20to%20FPX/

To report an error or typo you would find the exact Part Number and Case Code and select the text "Report an Issue" here www.pcblibraries.com/POD

Everything is fully automated for you to get the parts you need with the fastest turnaround, the cheapest price and highest quality. 

Stay connected - follow us! X - LinkedIn
Back to Top
Tom H View Drop Down
Admin Group
Admin Group
Avatar

Joined: 05 Jan 2012
Location: San Diego, CA
Status: Offline
Points: 6064
Post Options Post Options   Thanks (0) Thanks(0)   Quote Tom H Quote  Post ReplyReply Direct Link To This Post Posted: 01 Sep 2024 at 12:23pm
BTW - All the videos are in the V24.10 Help > User Guide

It would benefit you to go through the User Guide and discover all the features available to you. 

Stay connected - follow us! X - LinkedIn
Back to Top
thomas.yunghans View Drop Down
Active User
Active User


Joined: 02 Nov 2021
Status: Offline
Points: 26
Post Options Post Options   Thanks (0) Thanks(0)   Quote thomas.yunghans Quote  Post ReplyReply Direct Link To This Post Posted: 01 Sep 2024 at 1:44pm
Hi Tom,

Thank you for responding!  I do appreciate the updated "help" files and videos and am working through them.

It sounds like you are saying I should really be using "Parts-On-Demand" first before looking at FPX libraries that came with the install.  Is that correct?

You stated that the Parts-On-Demand files are free.  Is that only true because I now have "Subscription" version?   Previously I only had the Pro version which I was using with KiCad.  Could I have been using the Parts-On-Demand with that version also?  BTW:  thank for the upgrade to "Subscription" which I can now use with my Altium.  I won it at a raffle at a PCEA meeting a few months ago.

I also see that I appear to be limited to 10 downloads per day.  Is that true?

BTW: I downloaded the BD135 from "Parts-On-Demand".  There were two parts (one with a -16 at the end).  They both appear to have the same dimensional problem as the one in the installed FPX library.  Also I noticed that pin 1 and 3 are reversed from the STMicro datasheet.  I did do an "issue report" on one of them.


Thank you,

Tom Yunghans
Back to Top
Tom H View Drop Down
Admin Group
Admin Group
Avatar

Joined: 05 Jan 2012
Location: San Diego, CA
Status: Offline
Points: 6064
Post Options Post Options   Thanks (0) Thanks(0)   Quote Tom H Quote  Post ReplyReply Direct Link To This Post Posted: 01 Sep 2024 at 1:59pm
The 18,000 library parts that come in 6 FPX files with Footprint Expert are "Case Code" parts that map up to 300,000 part numbers. 

Example: One Texas Instruments Case Code maps to over 7,000 TI part numbers. 

The parts included with Footprint Expert are only there as a quick search and if you find a match you copy/paste that row into your master FPX file. 

It's my job to ensure that you are fully educated with the knowledge of every feature in the program and all assets that are available to you. 

All webcast training is free and unlimited. Just ask for a day and time when you want educational training and be able to ask all your questions. 

Stay connected - follow us! X - LinkedIn
Back to Top
 Post Reply Post Reply

Forum Jump Forum Permissions View Drop Down



This page was generated in 2.657 seconds.