PCB Libraries Forum Homepage
Forum Home Forum Home > Libraries > Footprints / Land Patterns
  New Posts New Posts RSS Feed - DFN2020MD-6 (SOT1220)
  FAQ FAQ  Forum Search   Events   Register Register  Login Login

DFN2020MD-6 (SOT1220)

 Post Reply Post Reply
Author
Message
giggio View Drop Down
Active User
Active User


Joined: 06 Dec 2013
Status: Offline
Points: 11
Post Options Post Options   Thanks (0) Thanks(0)   Quote giggio Quote  Post ReplyReply Direct Link To This Post Topic: DFN2020MD-6 (SOT1220)
    Posted: 16 Apr 2025 at 4:04pm
Hi,

I need building one footprint DFN2020MD-6 (SOT1220)  (from PMPB20XPE datasheet).


If i like to use PCB Libraries Footprint Naming Convention, what is it the prefix and family type that I need to use?

Back to Top
 
Back to Top
Tom H View Drop Down
Admin Group
Admin Group
Avatar

Joined: 05 Jan 2012
Location: San Diego, CA
Status: Offline
Points: 6061
Post Options Post Options   Thanks (0) Thanks(0)   Quote Tom H Quote  Post ReplyReply Direct Link To This Post Posted: 16 Apr 2025 at 4:28pm
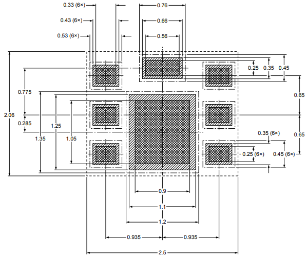
The Nexperia SOT1220 Case Code is a non-standard package. 

The footprint needs to be created using the FP Designer and the manufacturer recommended pattern. 



However, there are 39 Nexperia part numbers that use the SOT1220 Case Code available for free download on www.pcblibraries.com/POD

Here is what the footprint looks like: 


 
Stay connected - follow us! X - LinkedIn
Back to Top
giggio View Drop Down
Active User
Active User


Joined: 06 Dec 2013
Status: Offline
Points: 11
Post Options Post Options   Thanks (0) Thanks(0)   Quote giggio Quote  Post ReplyReply Direct Link To This Post Posted: 17 Apr 2025 at 12:19am
Thanks Tom.
About the name,what do you suggest? 
On "PCB Libraries Footprint Naming Convention" is not suggest.
Back to Top
Tom H View Drop Down
Admin Group
Admin Group
Avatar

Joined: 05 Jan 2012
Location: San Diego, CA
Status: Offline
Points: 6061
Post Options Post Options   Thanks (0) Thanks(0)   Quote Tom H Quote  Post ReplyReply Direct Link To This Post Posted: 17 Apr 2025 at 7:52am
NEXPERIA_SOT1220 is the only name for this footprint. 

Stay connected - follow us! X - LinkedIn
Back to Top
 Post Reply Post Reply

Forum Jump Forum Permissions View Drop Down



This page was generated in 0.391 seconds.