PCB Libraries Forum Homepage
Forum Home Forum Home > PCB Footprint Expert > Features & Training > FP Designer
  New Posts New Posts RSS Feed - Automate Footprint Creation with Text Files
  FAQ FAQ  Forum Search   Events   Register Register  Login Login

Automate Footprint Creation with Text Files

 Post Reply Post Reply
Author
Message
Nick B View Drop Down
Admin Group
Admin Group
Avatar

Joined: 02 Jan 2012
Status: Offline
Points: 1994
Post Options Post Options   Thanks (0) Thanks(0)   Quote Nick B Quote  Post ReplyReply Direct Link To This Post Topic: Automate Footprint Creation with Text Files
    Posted: 23 Jan 2025 at 1:18pm
You can create any footprint, regardless of the complexity, in just minutes using Excel and a Text file. The ability to transform a simple text file into an accurate solder pattern is available in Footprint Expert. The text file can be easily created in Microsoft Excel or Google Sheets, and must contain these features to fully automate PCB library construction:
  • Pin Name
  • Pad Orientation
  • X Coordinate
  • Y Coordinate
  • Pad Size X
  • Pad Size Y
  • Pad Diameter
Note: The Pad X, Y and Diameter data is for the creation of surface mount pad stacks. 
Tip to automate the Pin Names, enter the first Pin Name in cell A1



After Click and Drag, Excel will step the pin numbers



Next, add the pad rotation. Pad stacks are usually created long in the horizontal or X direction. If only one rotation is required, enter the angle in cells B1 and B2 and select both cells.

 
After Click and Drag, Excel will add the pin rotation



Next, enter the X coordinate in cell C1 and the step value in cell C2



After Click and Drag, Excel will add the X coordinates and step the values according to the difference between cell C1 and C2. 


 
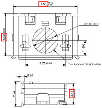
Here is a Molex Surface Mount USB Type B Connector P/N 47346-1001 Datasheet:
https://www.molex.com/pdm_docs/sd/473461001_sd.pdf 

Capture 3 dimensions for Length 7.5, Width 5 and Height 2.45



Create an Excel spreadsheet with the Mfr. Recommended Pattern X/Y coordinates and pad sizes and Rotations. The footprint Origin is in the center of the component package. 



The Excel spreadsheet contains Pin Number, Pad Rotation, X & Y placement Coordinates and X & Y Surface Mount Pad Stack sizes. Using the Mfr. Recommended Pattern, it takes 5 minutes to create this. Every component manufacturer should provide this file to all their customers to automate accurate PCB footprint creation. Using Footprint Expert, this PCB library part can be created in 2 minutes and exported to 25 CAD tools. 



Select File > Save As > Tab Delimited (Excel) or Tab Separated (Sheets) text, and save as a .txt file. If you view the TXT file in Notepad, it will look like this:



Open Footprint Expert, select "Designer" and enter the package dimensions for L, W and H.



Select OK and Footprint Expert will auto-generate the Silkscreen, Assembly, Component, Courtyard and Origin drafting outlines. Entering 3 dimensions takes less than a minute.



After selecting the OK button, the Pad Stack Designer menu opens. Close it because the text file will auto-generate all 5 pad stacks.

Open the Import Placement panel and search for the .txt file on your computer.



Mouse over the Yellow Highlighted Headers and a message appears "Right-click to select a definition for this column".


Select the proper function for each column from the pop-up list.



Do this for each column and then select and Confirm Units.



Select Units, Confirm Units and Add to Design


 
Here is the footprint with the proper pad stack location, size and rotation for 5 different pad stacks.

The Silkscreen Outline is auto-trimmed per your personal Option settings, the Assembly Outline has a Pin 1 Polarity Chamfer and the Placement Courtyard auto-sized and contoured around pads.


Download the sample XLSX, TXT, and FPX file for the part above from HERE.

Save the footprint to your Master FPX file and output to any CAD format!


PCB Footprint Expert
Simplify your PCB design process with the Footprint Expert, the ultimate tool for automating footprints from simple TEXT files! Automation helps ensures accurate, consistent, reliable footprints with minimal introduction of human error. Let the Footprint Expert handle your CAD library so you can focus on creating flawless PCB designs faster and more efficiently!

Get your FREE Footprint Calculator or Footprint Expert Evaluation License:
Call:  847-557-2300

Stay connected - follow us! X - LinkedIn
Back to Top
 
Back to Top
 Post Reply Post Reply

Forum Jump Forum Permissions View Drop Down



This page was generated in 0.281 seconds.